Hamamatsu have
discontinued these parts. This information is for
existing purchasers only. We now supply S4282-51 sensors
instead.
Click here for
details of the S4282-51
Background
Swallow Systems has made small
commercial robots (PIP, PIXIE) for educational use since
1989. We have now started to use this technology in the
IEE Micromouse Championships (DASH-1, DASH-2, DASH-TOO).
This note is to help those who want to know how we do our
wall and masking-tape sensing.
Description
The S4282-11 is a photo IC that
contains nearly everything you need for a simple
reflected-light sensor. All you add for the simplest
sensor is an LED to provide the light.
The S4282-11 looks like a transparent
four-legged transistor. The four connections are +VE and
-VE supply pins, LED constant-current drive and digital
output.
The S4282-11 pulses the LED at about
7kHz. Inside the device is a photodiode that senses the
light falling on the device and passes a corresponding
signal to the rest of the circuitry. The signal is
filtered and only signals that are effectively
phase-locked to the pulse drive generate a response.
This makes the S4282-11 very tolerant
of ambient light. Both DASH-1 and DASH-2 will operate on
a sunlit maze with shadows on it. They are tolerant of
conventional flourescent lights but may be upset by
modern electronic ballasted ones; I haven't tested them
in these circumstances.
One form of light that does cause
problems is from LEDs driven by other S4282-11s. You will
need to take care of light pollution from these. There
may be other sources of pulsed visible or infra-red
light. I imagine a rotating fan could generate suitably
modulated light.
The S4282-11 operates from supply
voltages betwen 4.5 and 12V.
Practical
considerations

The first thing to get right is the
connection details. These are shown in figure 1 looking
from the active side. There is no ident on the packaging
so it is important to take note of the bent leads or
identify the actual chip inside the package on the active
face. It looks like a small dark spot.
Figure 2 shows the simplest sensor
circuit. I always put a 100nF capacitor across the supply
pins of the S4282-11 to give some measure of EMC
protection. This is particularly important on Micromice
sensors as they are typically mounted on longish leads
away from the main PCB.
The red LED can be an infra-red type
for the best match to the sensor characteristics. I don't
use these as I can't see where the light is going. I use
a Hewlett-Packard HLMP4101. This is a bright narrow-angle
visible red LED. It projects a beam only some 1-2
centimetres across at a range of 10
centimetres.
I always add an indicator LED so that
I can tell when the sensor is on without recourse to
connecting test equipment. The circuit for this is shown
in figure 3. The green LED can be a cheap commodity type
from any supplier. It does not need to be shielded from
the S4282-11 as it is not being pulsed.
When you first build a sensor it is
worth mounting the red LED on extended leads. This will
allow you to completely shield the LED from the sensor to
check the off condition and also shine it directly onto
the active surface of the sensor to check the on
condition.
Debug
The first thing to check is the supply
current. Using the circuit in figure 3, this will be less
than 25mA if all is well. There is a large tolerance on
the duty cycle and amount of drive current to the LED so
it may be much less thanhis when the green LED is
off.
The next check is that the red LED is
on. Then you can do a functional check. If you have an
oscilloscope you can check that the LED cathode is being
pulsed. During the on condition it will be about 1.5V
below the supply voltage. During the off condition the
voltage will be partly determined by the ambient light
going through the clear case of the LED as it behaves as
a photodiode.
The on time is about 8usec. the pulse
repetition period is about 130usec. There is a large
tolerance on these times. The most likely problems are
the normal ones of dry joints, badly cut stripboard
tracks and missing connections but there are a range of
problems caused by optical effects.
Controlling the
light
You may have a problem with the sensor
not turning off. This can be caused by stray light from
the LED reaching the sensor by unexpected routes.
Although the LEDs that I use are
narrow-angle, they do emit quite a lot of light out of
the sides and the back.
I use two main techniques for avoiding
this problem. The easy one is a suitable rubber grommet
pushed over the LED to give very effective shielding of
the light from the sides of the LED.
The other technique is to use Tipp-Ex.
This is simply painted on to the LED to keep the light
in. You will probably need several layers and the best
place to do this is in a darkened room where you can
clearly see where the light is leaking from.
Unfortunately wet Tipp-Ex is not a good insulator so you
will need to be careful not to cause damage if you paint
it on when power is applied.
The sensor circuit can be built in a
very small space. The height of the LED can be a problem.
I have not found suitable surface-mount LEDs so in one
case I drilled a hole through the stripboard and mounted
the LED through the board. This saved me some
millimetres.
Area
coverage
In some circumstances you need a
sensor that will detect a wall over a range of positions.
On DASH-2 we need to detect whether a wall was too close
over a range of some 0-35mm. At 40mm the wall is in the
correct position so we must not detect it as too close
there. We needed vertical sensors to give this kind of
accuracy.
We could have used several sensor
circuits ORed together but at £5.11 per sensor this
was too much.
The solution was to use several LEDs
driven from one S4282-11. Each LED projects a small spot
of light onto the top of the wall. Provided that at least
one spot is on the wall at all positions that you want to
detect, the sensor will get enough light to detect the
wall.

The circuit I use is shown in figure
4. This uses 4 LEDs. The LED output can be tailored to
suit their individual distances from the sensor by
altering the current limiting resistors.
It is worth running at the lowest
effective LED current both to increase battery endurance
and also to minimise the amount of modulated light
sprayed around your mouse.
You should ensure that the sensor is
far enough away from the wall so that it can "see" the
reflected light. The S4282-11 responds well to light at
up to 30 degrees from the normal.
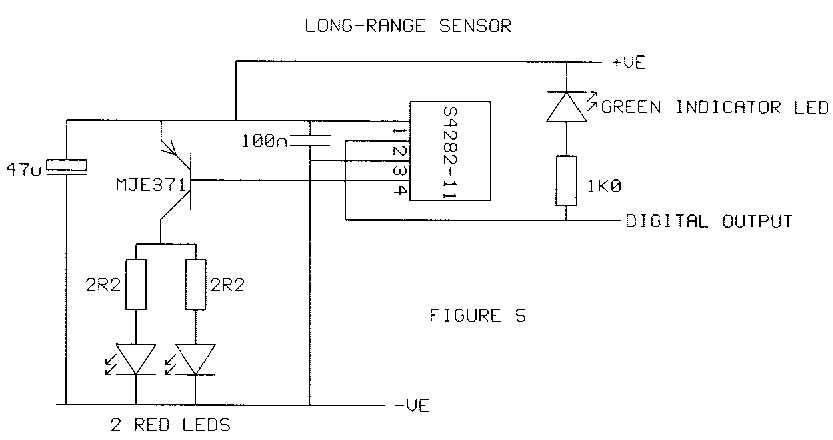
Long
range
Sometimes you need to detect a wall at
long range. Both DASH-1 and DASH-2 use long range
horizontal sensors to detect a wall before using
short-range vertical sensors to get the correct distance
from the wall.
I do this by driving the LEDs very
hard and using 2 or more LEDs aimed in the same
direction. A typical circuit, actually used on DASH-2,is
shown in figure 5.

The full LED cathode drive current is
used to drive the base of a small PNP power transistor.
The transistor provides peak currents of the order of
0.5A to each LED. This is probably overdriving the LEDs
but I am happy with a hortened operating life.
The 47uF electrolytic capacitor is
absolutely necessary. The large LED drive currents will
cause an unacceptable voltage drop on the leads back to
the battery if there is no local energy
storage.
The transistor does not need a
heatsink.
With two HLMP4101 LEDs this circuit
gives a range of about 80mm on DASH-2. You will get
longer range by adding more LEDs but the effect is not at
all linear.
It approximates to the radar equation
where the range varies as the fourth root of the light
power. This means that doubling the range needs 16 times
the power. To put it another way, if 2 LEDs give a range
of 80mm, you would need 32 LEDs to get a range of 160mm.
With long-range multiple LED sensors,
you should take care to align the LEDs carefully, It is
no good having a long-range wall sensor if it is pointing
at the floor!
Schools
competition
The requirements for the schools
competition are somewhat different. Here you need to
detect the difference between the light reflected from
white masking-tape and the background black paper. The
contrast ratio is not very high on the first release of
mats but there is hope of better contrast in the
future.
Because of this is it is necessary to
adjust the sensitivity of the sensors accurately. This
can be done by adjusting the distance of the sensor
and/or the LED from the surface but this may not always
be convenient.
Another technique is to adjust the LED
drive current. Figure 6 shows how we do it on DASH-TOO
and DASH FREE. The 5K0 trimmer can reduce the LED
current to a level suitable for the
conditions.

You will need to set the threshold
accurately as the S4282-11 has considerable hysteresis.
Typically the light level must fall to 65% of the
switch-on threshold to turn the device off. This takes up
a lot of the available contrast ratio on the early
release of mats.
Sensor
positioning
Once you have experimented with making
sensors you will need to think about the number of
sensors needed and where they should be placed. DASH-1
uses 6 sensors. There are three horizontal long-range
sensors to detect if a wall is present at each side or in
front and three short-range vertical sensors to detect
that the mouse is at the correct distance from that
wall.
This is a simplified description as
the long-range side sensors are also wide area sensors.
DASH-2 uses 10 sensors. There are
three vertical sensors on each side corresponding to too
far, just right and too close for that wall.
There are two longer-range horizontal
sensors at the rear of the mouse used to detect its
position relative to gaps in the walls.
There is one vertical sensor at the
front to detect that DASH-2 is the correct distance from
a wall in front. There is one long-rage horizontal sensor
to detect that there is a wall in front of the
mouse.
If DASH-2 had more sensor inputs I
would have liked several more sensors.
When designing your electronics, you
should always allow for more sensors than you can
possibly imagine you will need as shortage of sensors is
a performance limiter for both DASH-1 and
DASH-2.
DASH-TOO, our schools competition
demonstrator, used two sensors mounted at the front,
offset to one side. The particular problem with schools
Micromice is that the spacing between the sensor and the
mat is critical.
DASH FREE, the schools
competition kit, also uses two sensors mounted at the
front. Sensor positioning is one of the critical
parameters for making a fast mouse in this
competition
With our two-wheel mice there is a
rocking action as it accelerates or decelerates and this
causes a lot of problems.
These notes are not a comprehensive
treatment of the subject but they do outline how I tackle
the problem. If you have any questions or comments, or
better still from my point of view, a better way of doing
it, please contact me via e-mail. duncan@swallow.co.uk